תיאור המוצר
הפאנל SFM 170- וואט מונו-קריסטלי פנל סולארי משתמש בתאים סולאריים יעילות גבוהה העשויה מחומר סיליקון איכותי ליעילות המרה גבוהה של מודול, יציבות תפוקה לטווח הארוך ואמינות. כמעט ללא תחזוקה. העברה גבוהה, זכוכית מחוסמת ברזל נמוכה לעמידות והתנגדות השפעה משופרת.
מיוצר עם חומרים מיובאים וביתיים
מסגרת שחורה עם גיליון אחורי שחור
סובלנות כוח חיובית (0 ל- +3%)
עיצוב מסגרת ייחודי עם חוזק מכני חזק עד 50 קילוגרם. עומס רוח ועומס שלג עומד בהתקנה קלה
ביצועים חשמליים מצטיינים תחת טמפרטורה גבוהה וסביבות אור חלשות
עוקף דיודות מקלים על השפעות הצללה במיתרי סדרה
פָּרָמֶטֶר
| מאפיינים חשמליים (STC*) | |||||||
| דגם מס '(SFM) |
150W |
155W |
160W |
165W |
170W |
175W |
180W |
|
כוח מרבי ב- STC (PMAX) |
150W |
155W |
160W |
165W |
170W |
175W |
180W |
|
מתח כוח מרבי (VMP) |
18.02 |
18.10 |
18.20 |
18.41 |
18.56 |
18.78 |
19.01 |
|
זרם כוח מקסימלי (IMP) |
8.33 |
8.56 |
8.80 |
8.96 |
9.15 |
9.35 |
9.47 |
|
מתח מעגל פתוח (VOC) |
21.62 |
21.72 |
21.84 |
22.09 |
22.27 |
22.54 |
22.62 |
|
זרם קצר במעגל (ISC) |
9.07 |
9.33 |
9.58 |
9.77 |
9.94 |
10.16 |
10.32 |
|
מתח מערכת מקסימלי (v) |
1000V DC (IEC) | ||||||
|
דירוג נתיכים מקסימלי של סדרה (א) |
15A | ||||||
|
סובלנות כוח (%) |
0-+3% | ||||||
|
Noct |
45 ± 2 מעלות | ||||||
|
מקדם טמפרטורת PMAX |
-0. 46%\/ תואר | ||||||
|
מקדם טמפרטורת VOC |
-0. 346%\/ תואר | ||||||
|
מקדם טמפרטורת ISC |
0. 065%\/ תואר | ||||||
|
טמפרטורת הפעלה |
מ- -40 ל- +85 | ||||||
| *STC (מצב בדיקה סטנדרטי): הקרנה 1000W\/㎡, טמפרטורת מודול 25 מעלות, AM1.5 | |||||||
| משמש הכי טוב במחלקה AAA סימולטור סולארי (IEC 60904-9), עם אי וודאות במדידת כוח בתוך ± 3% | |||||||
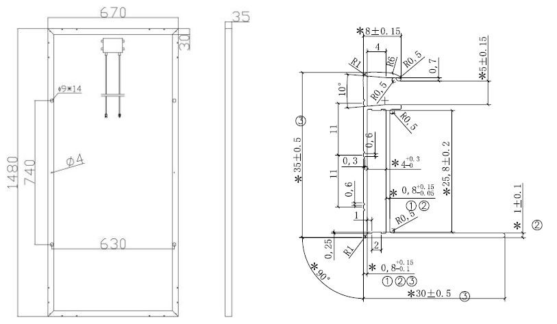
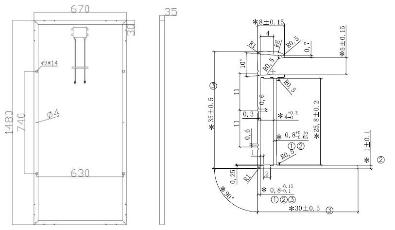
רישומי הנדסה (מ"מ)

| מאפיינים מכניים | |
|
תאים סולאריים |
36 (4 × 9) תאים סולאריים סיליקון מונו-קריסטליים 156 × 156 מ"מ |
|
זכוכית קדמית |
3.2 מ"מ (0. 13in) זכוכית מחוסמת להעברה גבוהה |
|
מכוסה |
אווה (אתילן-ויניל אצטט) |
|
מִסגֶרֶת |
סגסוגת אלומיניום אנודודית שכבה כפולה |
|
תיבת צומת |
מדורג IP67, עם דיודות עוקף הניתנות לשירות |
|
כבלים |
כבל סולארי עמיד בפני UV (אופציונלי) |
|
מחברים |
מחברים תואמים MC4 (אופציונלי) |
|
מידות (L × W × H) |
1480 × 670 × 35 מ"מ |
|
מִשׁקָל |
12 ק"ג |
|
Max.load |
עומס רוח: עומס 2400PA\/שלג: 5400PA |
| תצורת אריזה | |
|
כמות אריזה |
2 יחידים\/קרטון |
|
כמות\/מזרן |
50 יחידות\/מזרן |
|
יכולת טעינה |
569 יחידות\/20ft, 1180pcs\/40ft |
תכונה
זכוכית נגד השתקפות עוזרת להגדיל את ספיגת האנרגיה, ואילו חיבורי הכסף העליון והתחתון הוחלפו על ידי כרטיסיות שחורות, במקום שכבה נוספת של קלטת או טדלר שחור, ומזערת את אובדן היעילות לעומת הגיליון האחורי הלבן המקביל והפחתת הסיכון לסדקי מיקרו תאים כתוצאה מעובי לרבד נמוך יותר.
אפילו בטמפרטורות גבוהות, התא הסולארי יכול לשמור על יעילות גבוהה יותר מאשר תא סולארי סיליקון גבישי קונבנציונאלי. זה רלוונטי במיוחד עבור מודולים "שחורים", בהם ספיגת החום גדולה יותר. ה- SUFU מספק ביצועים טובים ביותר בכיתה כאשר רוב החשמל נוצר, בקיץ. זה רלוונטי במיוחד באקלים חם. יכול לשמש ליישומים רבים ושונים, אפילו סככות עבודה, מוסכים או מחנות אידיאליים למערכות גג למגורים ומסחר
תואם הר קרקע
תואם לממירים ברשת וברשת
פאנלים סולאריים שחורים ליישומים למגורים ומסחריים שבהם פאנל סולארי נעים ויזואלי ויעילות מקסימאלית הם בעלי חשיבות עליונה.
עלינו
Qinhuangdao Sufu Electronic Co., Ltd הוא מודול סולארי מודרני, פתרונות מערכת סולארית וספק שירות. המוצרים הסולאריים שלנו נעים בין מודולים סולאריים למערכות כוח סולאריות, אורות רחוב סולאריים, מטענים רב-פונקציונליים סולאריים, משאבה סולארית ותחנות כוח פוטו-וולטאיות, בניית תכנון ובנייה פוטו-וולטאית (BAPV), בניית תכנון ובנייה משולבים-וולטאיים (BIPV).
הסכמה על סדנאות מעל 30, 000 ㎡ ㎡, ההשקעה בשלב הראשון היא 20 מיליון RMB, עם כושר הייצור השנתי שלנו של 20 מגוואט הן עבור מונו ופאנלים סולאריים פולי.
SUFU מציעה לעולם מוצרים אמינים ומתחדשים המוסמכים בינלאומיים עם TUV, CE, IEC ו- ISO9001 וכו '.
המוצר חל על מגוון רחב של לקוחות כולל אוסטרליה, הודו, יפן, קוריאה, דרום אמריקה, המזרח התיכון, דרום מזרח אסיה, אפריקה ומדינות אחרות.
תְעוּדָה

למה לבחור בנו?
1. יש לנו מפעל משלנו עם איש מקצוע לפאנל סולארי ומערכת במשך 10 שנים.
2. יש לנו צוות מו"פ חזק.
3. הצעת שירות OEM להזמנתך.
4 תשובה תוך 12 שעות.
5. הצעת מחיר תחרותי, שירות טוב לאחר המכירה.
שאלות נפוצות
ש: מדוע אתה בוחר את Sufu?
ת: מכיוון שאנו יצרנים מקצועיים של אביזרי סולאריים במשך יותר מ -11 שנים. יש לנו ספקים גולמיים מצוינים וצוות הנדסה חזק.
ש: מהו זמן המסר?
ת: תוך 15 יום לאחר ההזמנה שאושרה על ידי תשלום מראש שהתקבל.
ש: מהם תנאי האחריות שלך?
ת: אנו מציעים זמן אחריות שונה לרכיבים שונים, אנא צור איתנו קשר לפרטים.
ש: מה דעתך על מערכת בקרת האיכות שלך?
ת: איכות היא עדיפות. אנו תמיד מייחסים חשיבות רבה לבקרת איכות מההתחלה ועד סוף הייצור. כל מוצר יהיה מורכב מלא ונבדק זהיר לפני האריזה והמשלוח.
תגיות פופולריות: פאנלים סולאריים כולם שחורים, ספקים, יצרנים, מפעל, מותאם אישית, סיטונאי, קנייה, מחיר, הטוב ביותר, למכירה

